Founder / Engineer • 3m
Hi @everyone, first post on medial and I should have done it a long time ago :( anyway quick Intro : I'm trying to build India's largest open source hardware ecosystem @pcbcupid (Everything from design to manufacturing done In India) I would love to connect with like minded people and explore anyway to collaborate. Please check out our site to understand more on what we do at PCB Cupid.
Founder / Engineer • 3m
At the end of this month we are planning for something very special at pcb cupid rather than just our usual hardware meetup! To keep you guys prepared l'm going to kick off a new post series. where I try to walk you through my step-by-step journey o
See More
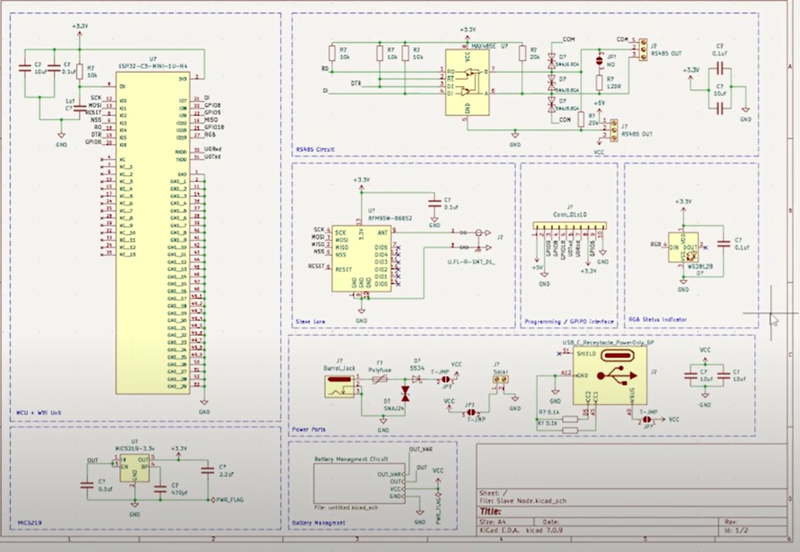
Founder / Engineer • 3m
Every hardware solution starts as an idea, but it only becomes real when you lay down the line. #Day4 – Schematic & PCB Design Hardware Product From Scratch! I shared how careful component selection and a smart BOM strategy lay the groundwork for
See More


Living with purpose. • 6m
Hey everybody! I’m working on an idea that involves designing and building a custom motherboard for an electronics product. I need someone skilled in PCB design, embedded systems, and hardware integration who’s excited to collaborate on a real-world
See MoreSelf Management Coac... • 9m
Anyone here to Interested in NGO Startup Idea! Looking for a Like minded Team! I want to be part Human Welfare Ideas & System! I am running a NGO last 4 Years and looking for Co Partner/ Co Founders to collaboration and more work! Please Contact If
See MoreCEO at Laugh Logic L... • 8m
For Medial Team, don't know if it is done or purpose or not. The time of update we see with the notification lacks clarity. Both minutes and months have the same UI. As shown in screenshot 15 minutes ago and 1 month ago both has small m. Ideal way
See More
garoono.in minimal a... • 3m
It isn't bad to have active users for just few weeks old product. Started vibe coding products 52 days ago, here i am with this, Used cursor -> to full fledged app, because its free as a student Hope to reach the $10k ARR soon 200$ done #buildinpubl
See More
Download the medial app to read full posts, comements and news.